- 商品描述
- 商品询价热度
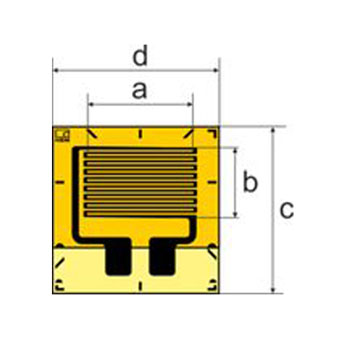
HBM XY7 带通用焊盘的 T 型应变片

型号 | 额定电阻 | 尺寸 [mm/inch] | 焊接端子(非强制)
| 型号 | |||
测量栅丝 | 基底 | ||||||
[Ω] | a | b | c | d | |||
1-XY7x-0.6/120# | 120 | 0.6 | 0.8 0.031 | 5.7 0.224 | 4.3 0.169 | LS7 | - |
| 钢 (1) | 铝 (3) | 奥氏体钢 (5) | 石英玻璃 / 复合材料 (6) | 钛 (7) | 塑料 (8) | 钼 (9) | |||||||
1-XY7x-1.5/120 | 120 | 1.5 | 1.4 0.055 | 6.5 0.256 | 5.3 0.209 | LS7 | - |
| 钢 (1) | 铝 (3) | 奥氏体钢 (5) | 石英玻璃 / 复合材料 (6) | 钛 (7) | 塑料 (8) | 钼 (9) | |||||||
1-XY7x-3/120 | 120 | 3 | 3 0.118 | 9.9 0.390 | 7.3 0.287 | LS7 | - |
| 钢 (1) | 铝 (3) | 奥氏体钢 (5) | 石英玻璃 / 复合材料 (6) | 钛 (7) | 塑料 (8) | 钼 (9) | |||||||
1-XY7x-6/120 | 120 | 6 | 5.7 0.224 | 16.2 0.638 | 11 0.433 | LS4 | 1 |
| 钢 (1) | 铝 (3) | 奥氏体钢 (5) | 石英玻璃 / 复合材料 (6) | 钛 (7) | 塑料 (8) | 钼 (9) | |||||||
1-XY7x-1.5/350# | 350 | 1.5 | 1.4 0.059 | 6.5 0.256 | 5.3 0.209 | LS7 | 1, 3 |
| 钢 (1) | 铝 (3) | 奥氏体钢 (5) | 石英玻璃 / 复合材料 (6) | 钛 (7) | 塑料 (8) | 钼 (9) | |||||||
1-XY7x-3/350 | 350 | 3 | 3 0.118 | 9.9 0.390 | 7.3 0.287 | LS5 | 1, 3 |
| 钢 (1) | 铝 (3) | 奥氏体钢 (5) | 石英玻璃 / 复合材料 (6) | 钛 (7) | 塑料 (8) | 钼 (9) | |||||||
1-XY7x-6/350 | 350 | 6 | 5.7 0.224 | 16.2 0.638 | 11 0.433 | LS4 | - |
| 钢 (1) | 铝 (3) | 奥氏体钢 (5) | 石英玻璃 / 复合材料 (6) | 钛 (7) | 塑料 (8) | 钼 (9) | |||||||


线上咨询




